Запасные части ЧТЗ Запасные части ЧТЗ
Калининград
Например:
Актобе
Алдан
или
Выбрать автоматически
Актобе
Алдан
Алматы
Алчевск
Архангельск
Астана
Астрахань
Атырау
Баку
Балашиха
Барнаул
Белгород
Бердянск
Бишкек
Владивосток
Владикавказ
Воркута
Воронеж
Горловка
Грозный
Донецк
Екатеринбург
Иваново
Ижевск
Иркутск
Казань
Калининград
Каменск-Уральский
Караганда
Каховка
Кемерово
Киров
Комсомольск-на-Амуре
Костанай
Краснодар
Красноярск
Красный луч
Ленск
Луганск
Магадан
Магнитогорск
Макеевка
Махачкала
Мелитополь
Минск
Мирный (Якутия)
Москва
Мурманск
Нерюнгри
Нижневартовск
Нижний Новгород
Нижний Тагил
Новая каховка
Новокузнецк
Новосибирск
Новый Уренгой
Норильск
Ноябрьск
Нур-Султан
Омск
Оренбург
Ош
Павлодар
Пермь
Петрозаводск
Петропавловск
Петропавловск-Камчатский
Псков
Ростов-на-Дону
Салехард
Самара
Санкт-Петербург
Саратов
Севастополь
Семей
Симферополь
Сочи
Ставрополь
Сургут
Сыктывкар
Тараз
Ташкент
Токмак
Томск
Тында
Тюмень
Ульяновск
Усинск
Усть-Каменогорск
Уфа
Хабаровск
Ханты-Мансийск
Херсон
Челябинск
Чита
Шымкент
Экибастуз
Энергодар
Южно-Сахалинск
Якутск
Ваш город
Калининград
Войти
Запасные части к тракторам на одном сайте
+7 (932) 303-00-10
+7 (932) 303-00-10
г. Калининград, Московский проспект, д. 184
Пн-Пт: 9:30-18:30 Cб-Вс: Выходной
Отправить заявку


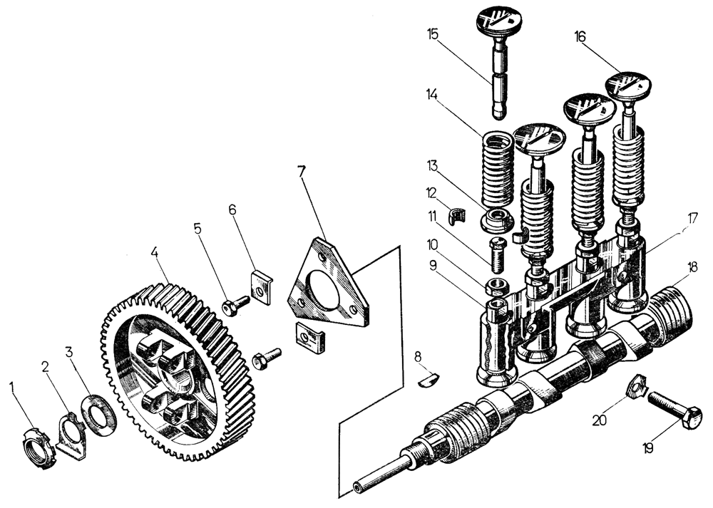
Механизм газораспределения пускового двигателя на Т-130


/
с НДС 20%
Описание
Механизм газораспределения пускового двигателя на Т-130
# Номер запчасти Наименование детали Кол-во в сборке
1 04233 Гайка 1
2 31357 Шайба 1
3 04232 Шайба нажимная 1
4 17-04-1 Шестерня 1
5 - Болт М8Х16.58.019 3
6 31102 Пластина стопорная 3
7 04103 Шайба упорная 1
8 3429 Шпонка 1
9 04110 1 Толкатель клапана 4
10 3083 Гайка 4
11 04112 Болт регулировочный 4
12 04119 Сухарик клапана 8
13 04118 Тарелка клапана 4
14 3868 Пружина 4
15 04234 1 Клапан всасывающий 2
16 04235 1 Клапан выпускной 2
17 04111 Кронштейн 1
18 04230 Валик 1
19 - Болт М10X45.58.019 2
20 3198 Шайба стопорная 2
1 При необходимости заказывать ремонтные комплекты (см. Перечень деталей ремонтных размеров).
Механизм газораспределения пускового двигателя