| Поз. | Обозначение | Наименование | Кол. |
| 1 | Стяжка (Хомут) K-120SB | 10 | |
| 2 | Стяжка (Хомут) К-075В | 15 | |
| 3 | Сигнал звуковой С313 ТУ 37.003.688-75 | 1 | |
| 4 | ПК46.41.01.015 | Прокладка | 20 |
| 5 | 027.36.11.635 | Хомут | 6 |
| 6 | Стяжка (Хомут) К-250МВ | 10 |
| 7 | ПК46.41.01.009 | Скоба | 1 |
| 8 | ПК46.41.01.008 | Прокладка | 1 |
| 9 | ПК46.41.01.050-01 | Планка в сборе | 1 |
| 10 | ПК46.41.01.050 | Планка в сборе | 1 |
| 11 | Реле электромагнитное 901.3747 ТУ 37.003.1418-94 | 7 | |
| 12 | Реле прерывистой сигнализации РПС24.2 ГОСТ3940-84 | 1 | |
| 13 | Вставка плавкая ПВ-10 ТУ16.522.001-82 | 3 | |
| 14 | Вставка плавкая ПВ-30 ТУ16.522.001-82 | 4 | |
| 15 | Шайба С.6.02.019 ГОСТ 11371-78 | 45 | |
| 16 | Болт М6-6g×16.58.019 (S10) ГОСТ 7798-70 | 33 | |
| 17 | Шайба 6.65Г.019 ГОСТ 6402-70 | 45 | |
| 18 | Вставка плавкая ПВ-2 ТУ16.522.001-82 | 4 | |
| 19 | Вставка плавкая ПВ-50 ТУ16.522.001-82 | 1 | |
| 20 | ПК46.41.01.010 | Лист в сборе | 1 |
| 21 | ПК46.41.01.020 | Лист в сборе | 1 |
| 22 | Винт В.М4-6g×10.58.019 ГОСТ 17473-80 | 16 | |
| 23 | Шайба 4.65Г.019 ГОСТ 6402-70 | 16 | |
| 24 | Шайба С.4.02.019 ГОСТ 11371-78 | 16 | |
| 25 | Пластина диодов ВДС25.41.01.100 | 2 |
| 26 | Винт В.М4-6g×16.58.059 ГОСТ 17473-80 | 4 | |
| 27 | Шайба 4.65Г.059 ГОСТ 6402-70 | 4 | |
| 28 | Шайба С.4.02.059 ГОСТ 11371-78 | 4 | |
| 29 | Щиток управления для ПЖД-30 ПУ30.1 РИВП.453835.001 ТУ | 1 | |
| 30 | ПК46.41.01.030 | Щиток переключателей | 1 |
| 31 | Винт В2.М6-6g×16.58.019 ГОСТ 17475-80 | 4 |
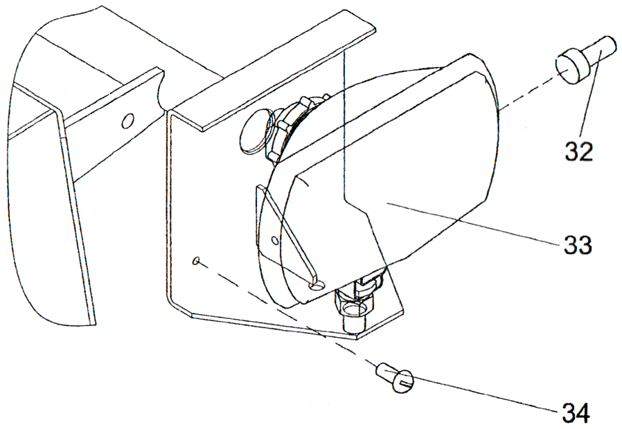
| 32 | Лампа АКГ 24-70 (ИЗ) ГОСТ 2023.1-88 | 4 | |
| 33 | Фара рабочая 8724.304/301 | 4 | |
| 34 | Винт В.М6-6g×10.58.019 ГОСТ 17473-80 | 6 |
| 35 | Розетка ПС-400 ТУ 16-93ИЖЦМ.43.4434.002 ТУ | 1 | |
| 36 | Винт В2.М4-6g×30.58.019 ГОСТ 17475-80 | 3 | |
| 37 | 027.36 11.517 | Хомут | 2 |
| 38 | Сигнал звуковой С314 ТУ 37.003.688-75 | 1 |
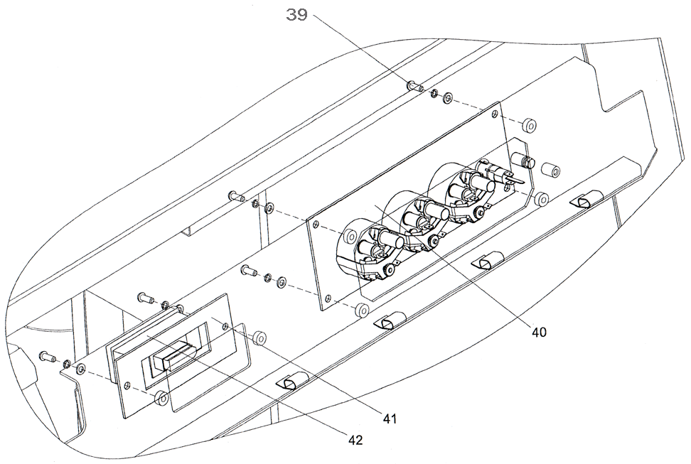
| 39 |
Винт В.М6-6g×16.58.019 ГОСТ 17473-80 |
6 | |
| 40 | ПК46.41.01.040 | Щиток приборов | 1 |
| 41 | ПК46.41.01.005 | Планка | 1 |
| 42 | Блок контрольных ламп БКЛ10.1-03 РИВП.453687.003-03ТУ | 1 |
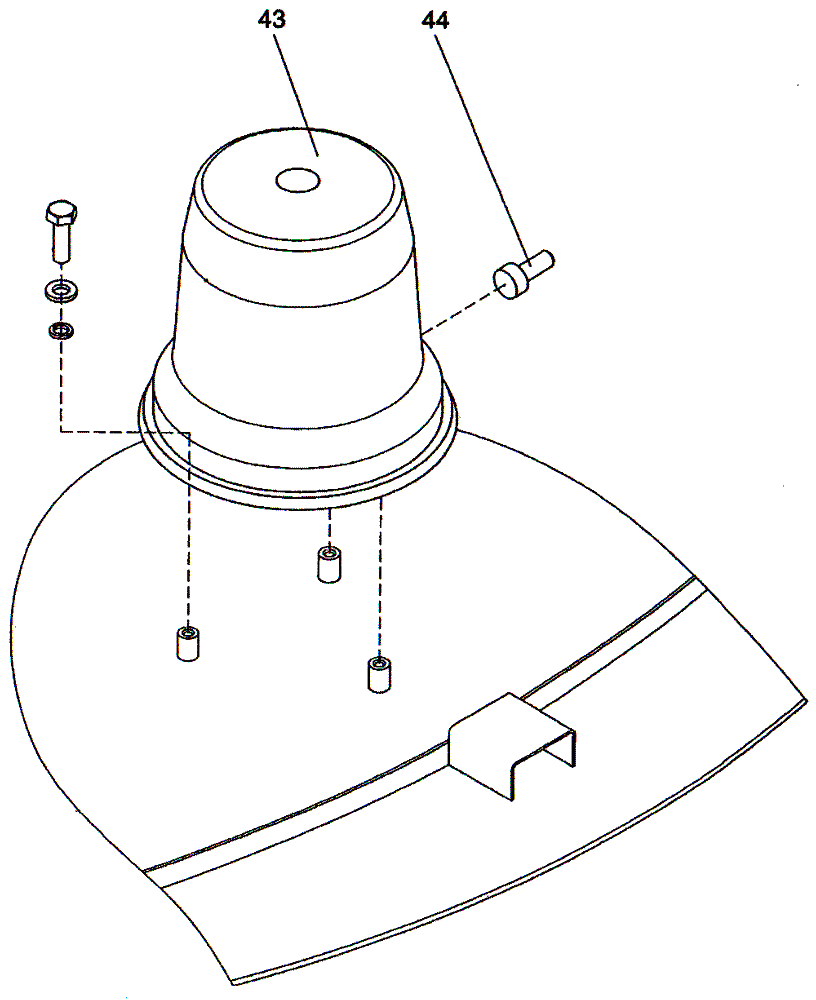
| 43 | Маяк проблесковый "Спектр24М" ТУ4573-028-36904622-02 | 1 | |
| 44 | Лампа АКГ 24-70 (Н1) ГОСТ 2023.1-88 | 1 |
| 45 | Гайка М6-6Н.5.019 (S10) ГОСТ 5916-70 | 2 |
| 46 | Плафон ПТ-37-ЗМ | 1 | |
| 47 | Лампа А 24-21-3 (P21W) ГОСТ 2023.1-88 | 1 |
| 48 | Колонка управления HP-KP.24V-001 | 1 | |
| 49 | Приемник указателя уровня топлива УБ-170М ТУ37.003.614-79 | 1 | |
| 50 | Приемник указателя температуры 36.3807 ОСТ 37.003 076-86 | 1 | |
| 51 | Тахометр 253.3813 ТУ37.003.1251-85 | 1 | |
| 52 | Приемник указателя давления 33.3810 ОСТ 37.003.703-79 | 1 | |
| 53 | Счетчик моточасов / вольтметр УК34.2 РИВП.454381.001 ТУ | 1 | |
| 54 | Патрон лампы ЛВ211-3714.329 ТУ37.003.689-75 | 5 | |
| 55 | Лампа А 24-1 ГОСТ 2023.1-88 | 5 |










