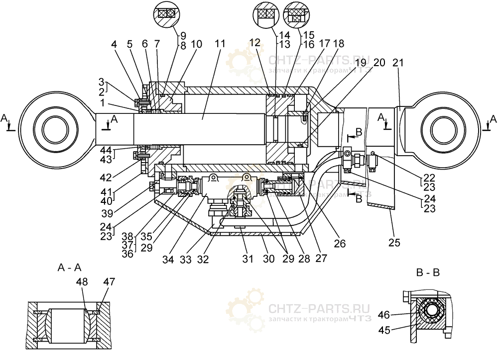
| Поз. | Обозначение | Наименование | Кол-во |
| – | 749-72-5СП 1 | Гидрооборудование бульдозера | |
| 1 | – | Болт М16-8g×30.58.019 | 2 |
| 2 | – | Шайба 16 ОТ 65Г 09 | 2 |
| 3 | 749-72-256СП | Кожух | 1 |
| 4 | 50-26-485СП | Рукав 16 | 4 |
| 5 | 749-72-240СП | Гидрораскос | 1 |
| 6 | – | Болт М8-6g×25.88.35.019 | 4 |
| 7 | – | Шайба 8Т 65Г 09 | 4 |
| 8 | 700-30-2308 | Гайка | 2 |
| 9 | 749-72-387 | Крышка | 1 |
| 10 | 749-72-388 | Прокладка | 1 |
| 11 | – | Болт М10-6g×40.58.019 | 3 |
| 12 | 749-72-13 | Хомут | 3 |
| 13 | 749-72-14 | Прокладка | 3 |
| 14 | 749-72-241СП | Труба | 2 |
| 15 | 749-72-30 | Проходник | 2 |
| 16 | 749-72-31 | Штуцер | 2 |
| 17 | – | Кольцо 020-025-30-2-2 | 8 |
| 18 | 749-72-29 | Муфта | 2 |
| 19 | – | Кольцо С25 65Г Ц9Хр | 2 |
| 20 | 749-72-257СП | Кожух | 1 |
| 21 | 749-72-196СП | Труба | 1 |
| 22 | 749-72-195СП | Труба | 1 |
| 23 | 749-72-410 | Кожух | 1 |
| 24 | 700-58-148 | Заглушка | 2 |
| 25 | – | Болт М10-6g×20.58.019 | 12 |
| 26 | – | Шайба 10 ОТ 65Г 09 | 12 |
| 1 Для бульдозерного оборудования 748-96-1СП. | |||
| Поз. | Обозначение | Наименование | Кол-во |
| – | 749-72-240СП | Гидрораскос | |
| 1 | 749-72-269 | Втулка | 1 |
| 2 | – | Болт М12-6g×35.58.019 | 12 |
| 3 | – | Шайба 12 ОТ 65Г 09 | 12 |
| 4 | 749-72-258 | Скребок | 1 |
| 5 |
749-72-428; – |
Кольцо нажимное; КН 100×125-2 |
1 |
| 6 | – | Манжета М 100×125-2 | 3 |
| 7 |
749-72-427; – |
Кольцо опорное; КО 100×125-2 |
1 |
| 8 |
749-72-262; 749-72-262-01 |
Кольцо распорное | 1 |
| 9 | – | Кольцо 210-220-58-2-2 | 1 |
| 10 | 749-72-187СП | Крышка | 1 |
| 11 | 749-72-257 | Шток | 1 |
| 12 |
749-72-266; – |
Втулка; Кольцо Е21-220-20-4 |
2 |
| 13 |
749-72-263; 749-72-263-01 |
Кольцо распорное | 1 |
| 14 | – | Кольцо 079-085-36-2-2 | 1 |
| 15 |
749-72-265; 749-72-265-01 |
Кольцо | 2 |
| 16 | – | Кольцо 200-210-58-2-2 | 2 |
| 17 | 749-72-260 | Поршень | 1 |
| 18 | 749-72-268 | Винт | 1 |
| 19 | 749-72-267 | Гайка | 1 |
| 20 | 749-72-264 | Кольцо защитное | 1 |
| 21 | 749-72-242СП | Корпус | 1 |
| 22 | 700-28-2621 | Болт | 8 |
| 23 | – | Шайба 16ОТ 65Г 09 | 14 |
| 24 | 700-28-2618 | Болт | 6 |
| 25 | 749-72-244СП | Кожух | 1 |
| 26 | – | Кольцо 030-035-30-2-2 | 4 |
| 27 | 749-72-245 | Фланец | 1 |
| 28 | 700-57-567 | Ниппель | 1 |
| 29 | 700-40-7939 | Кольцо | 4 |
| 30 | 749-72-243СП | Кожух | 1 |
| 31 | 749-72-280СП | Труба | 1 |
| 32 | 700-41-3533 | Штуцер | 2 |
| 33 | 749-72-279СП | Труба | 1 |
| 34 | 50-50-195CП | Гидрозамок | 1 |
| 35 | 700-57-1059 | Штуцер | 1 |
| 36 | 749-72-185СП | Фланец | 1 |
| 37 | 749-72-184СП | Клапан | 1 |
| 38 | – | Болт М24-8g×65.58.019 | 12 |
| 39 | – | Шайба 24 Т 65Г 09 | 12 |
| 40 | 749-72-261 | Шайба регулировочная | 78 |
| 41 | 749-72-259 | Чистик | 16 |
| 42 | 749-72-259-01 | Чистик | 8 |
| 43 | 749-72-512 | Планка | 2 |
| 44 | 42212 | Муфточка | 2 |
| 45 | 700-58-2084 | Кольцо | 4 |
| 46 | – | Подшипник ШСЛ-80 | 2 |
| Поз. | Обозначение | Наименование | Кол-во |
| – | 50-50-195CП | Гидрозамок | |
| 1 | 50-50-279 | Втулка | 2 |
| 2 | 50-50-197СП | Клапан | 2 |
| 3 | 700-38-2914 | Пружина | 2 |
| 4 | 50-50-210 | Корпус | 1 |
| 5 | 700-40-3543 | Кольцо | 1 |
| 6 | 50-50-247 | Поршень | 1 |
| 7 | 261164 | Кольцо | 2 |
| 8 | 700-38-2851 | Пружина | 2 |
| 9 | 50-50-281 | Переходник | 2 |
| 10 | 700-42-2232 | Пробка | 4 |

